新闻动态
SUPPORT
茂捷M5563充电开关电源应用方案指南

从健身与健康追踪器、智能手表到虚拟现实平视显示器,设计人员在不断寻求新的创新方法来尽可能降低电流消耗、减少系统活动并保持系统功能处于待机或休眠模式。 同时,他们需要选择具有最小漏电流的设备或使用负载开关来断开不需要的子系统,以降低待机模式下的功耗。

随着可穿戴计算设备市场继续推陈出新、发展成熟,我们可以预期更高级的功能,因此电池运行时间将成为日益重要的差异化因素。 对于即将到来的新型可穿戴应用和设计浪潮,为特定应用选择最佳电池充电解决方案将在市场成败中扮演重要角色。

在此过程中,选择适当的电池充电管理系统将起到核心作用。 通过集成关键电池充电功能、使用各种尺寸和电容的电池、提供非常低的静态电流,并增加有助于将轻载能效扩展到更低电流水平的电源管理功能,最新一代电池充电 IC 可帮助设计人员实现节能目标,并最大限度延长电池寿命。

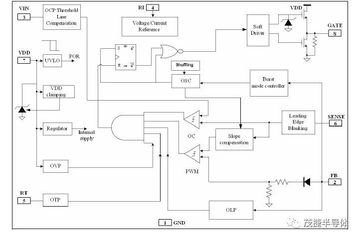
茂捷5563    是一款高集成、高效能、低能耗的电流模式PWM控制IC

在应用到充电管理时拥有高效能、高转化率、低成本、软启动模式全面覆盖自恢复恢复、在充电管理中使用时M5563可以由预设小范围电流自适应。

在充电管理应用中M5563能提供给完整保护、覆盖自动的恢复功能。包括逐周期电流限制(OCP)过载保护OLP、VDD过压钳制、欠压锁定(uvlo)。对超过通用输入电压的连续输出功率限制,茂捷特有的线性输入补偿逐周期过流阈值设定。茂捷M5563使用新型线的栅极连接到电源开关控制的外部MOSFET的栅极技术。栅极连接到电源开关控制的外部MOSFET的栅极。茂捷M5563在空载或轻载条件下,开关模式电源中的大部分功耗是MOSFET晶体管的开关损耗、变压器的铁心损耗和缓冲电路的损耗。功率损耗的大小正比于固定的时间内开关事件的数量。降低开关次数能减少功率损耗,从而节约了能源。

茂捷M5563特征:

■ 满足最新六级能效应用要求

■ 开机软启动减少MOSFET Vds的压力应力

■多段复合的工作模式:

65KHz固定频率模式@满载

谷底导通工作模式@中低负载

扩展的突发工作模式@轻负荷&空载

■ 优化EMI性能的抖频技术

■ 扩展的突发工作模式提高转换效率和极低的

待机功耗

■ 音频噪声处理功能

■ 全面的保护功能:

VCC锁定与迟滞(UVLO)

VCC过电压保护(VCC OVP)

在通用输入电压范围内固定输出功率限制的电

流阈值设置

过载保护(OLP)及自动恢复功能

内部温度保护(OTP)与自动恢复功能

输出电压保护(输出 OVP)与自动恢复,

OVP 触发电压可由辅助绕组与 PRT 销连接的电阻调节

当下充电管理使用的有

线性充电器和开关充电器广泛应用于多种应用:助听器、智能手表、传感器节点、手机、笔记本电脑...数不胜数!每当使用可充电电池时,都需要一个充电器。然而,考虑到可用的不同充电拓扑相关的利弊,您在选择充电器时可能需要考虑更多因素。

线性充电器体积小、易于使用、成本低廉。不用任何切换,它们即可适用于噪声敏感的应用;但是当充电电流大时,功耗很高。图1所示为线性充电器的示意图。

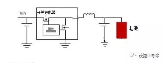
开关充电器以其高效率而闻名,并可在输入适配器电压的广泛变量下最小化功耗。但与线性充电器相比,附加电感器和电容器消耗更多的电路板空间,增加了BOM成本和设计复杂性。图2所示为开关充电器的图。

                                    图1


                                      图2

选择哪种充电器将取决于表1中的哪些因素对于特定设计最重要。通常,由于小型解决方案尺寸,简单的设计和较低的成本(如M1056),小型电池和低充电电流应用,如可穿戴设备、物联网(IoT)等都优选线性充电器。一些备用电池应用,如紧急呼叫和汽车GPS定位跟踪器也更优选如同M4054的线性充电器。智能手机、平板电脑和笔记本电脑等高功率和多单元电池应用将使用开关充电器,如M6362A。表1:线性充电器与开关充电器的特征比较

M5563适用于广泛的应用于AC/AC、AV/DC电压转换器、各类开放式开关电源。便携式电子产品电源充电管理、移动设备电源驱动、LED显示器电源适配器等应用广泛的电源适配、电源管理、充电管理。电压转换器等。

在配合M5563应该充电管理IC时小编提议使用

小功率电流导通补偿式分流模式充电ICM4054

高精度原边控制LED大电流驱动优异的负载调整的驱动ICM8919

超高速开关用微功率模式可密集安装使用的N沟道XP151、XP161MOSFET管

超小晶微模型压制高密度安装单P沟道输出功率MOSFET:XP152、XP202、XP162

茂捷半导体是一家专业从事纯模拟电路和数模混合集成电路设计的IC设计公司。公司资深研发团队将业界先进的设计技术与亚太地区的本土优势产业链相结合,服务全球市场,为客户提供高效率、低功耗、低风险、低成本、绿色化的产品方案和服务。助力于充电器、适配器电源IC、LED驱动照明、锂电充电IC等产业的发展

本文由茂捷事业编辑部搜集整理。欢迎广大小伙伴热烈咨询。

在线客服
热线电话
微信公众号